In Analog Circuit design beschrijft Williams een methode om probe respons te testen. Hij doet dat dmv een puls van 5V met een 35 ns pulsduur, stijgtijd van ongeveer 3nS en een frequentie van ongeveer 6MHz. Dit schematje vormt een soort hoog doorlaat filter dus aan de hand van de Tr van de puls kun je de bandbreedte van je probe testen maar ook de het effect van een aarde draadje of clip.
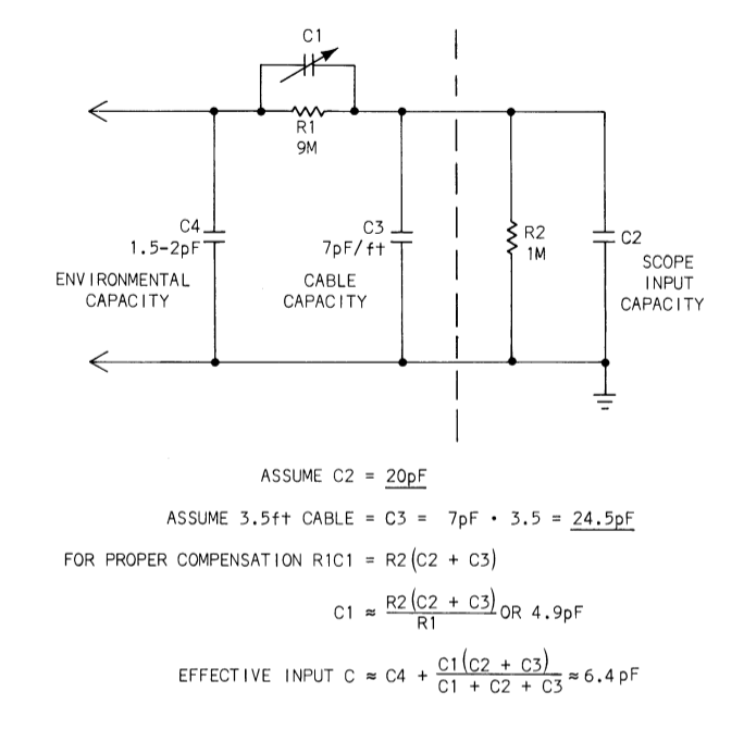
Het schema van Williams is iets anders. Ik heb aan de bovenkant een paar 10M weerstanden toegevoegd welke het signaal via twee via’s naar de onderkant voeren naar een guardvlak en aan de bovenkant naar een guardring zodat de capaciteit van het printje niet meespeelt (hoop ik) LET OP, het schema klopt dus niet, de 1M zijn 10M en gaan naar een guardlus, niet naar massa. Verder is op het definitieve exemplaar nog een aardklem gemaakt. De probe gebruikt dus de aardring direct aan na de punt.
Je ziet hier in groen de ideale puls (Tr=0) en in rood een ideale probe zonder interne capaciteit. De condensator is leeg, de puls is daar per direct dus de spanning is direct maximaal . Nu gaat er dus ook direct stroom lopen. We meten de spanning over de 1K. Als je een stroomprobe tussen de 10pF en 1K zou hangen dan zie je een curve die gelijk is aan de spanning over 1K. Hieronder zie je in rood de spanning over de condensator. Als de puls ineens nul volt wordt ontstaat er een negatieve spanning op de condensator die over de 1K ontladen wordt.

- Rood=Spanning over de condensator
We meten dus feitelijk stroom door de 1K dus we zien de stroom hieronder in het rood snel oplopen met het stijgen van de generator spanning, alleen beperkt door de RC tijd van de generator en terminatie. Als de spanning maximaal is de condensator ook vol. De spanning blijft gelijk maar ondertussen trekt de 1K en eventuele probe de condensator leeg. De filtering gaat nu ook een rol spelen, de lagere frequenties uit het blok zien een stijgende reactantie. De weerstand trekt de condensator sneller leeg dan de pulser hem kan bijvullen. Een ideale probe geeft dus onderstaand beeld bij een realistische generator. De spanning over R3 zou dus in theorie zo’n 800 mV worden maar wel van -200 t0t +600mV.
Hieronder zoals het met een ideale generator zou zijn.
Je ziet dat de hele goede probe weinig capaciteit heeft, dus de zelfinductie van de groundlead veroorzaakt met de kleine capaciteit hoge frequenties wat je ziet als ringing.
Bij 10 pF wordt de ringing frequentie lager.
Meer capaciteit betekent minder amplitude.
Maar nu is het tijd voor de werkelijkheid:
Dit is de puls. De Tr in deze opstelling is ongeveer 640 pS. De generator doet direct zonder kabels ect net iets meer dan 500pS. Amplitude ongeveer als in de simulatie.
Philips maakt een 50 ohm, Zo probe. Bedoeld voor hun eigen sample scoop. Verzwakking 100x en BW 1GHz. Je ziet dat de spanning aardig het plaatje van de ideale probe volgt. We hebben 800mV, een aflopende slope en ondanks de moeilijke opstelling een redelijke overeenkomst met de werkelijkheid. Alleen kijk je hier naar 5mV/div tgv de 100x verzwakking.
Een onbekende Zo, zat bij een 75MHz Philips scoop en zagen er ongebruikt uit. De stijgtijd is nog ongeveer 800 ps, daardoor haalt hij ook niet de maximale spanning. De puls is sneller uitgestegen voor de probe kunnen slewen. De probe loopt achter de feiten aan. Ook stort de curve sneller in ten gevolge van zijn capaciteit. Dat gaat ook niet gelijkmatig, er zit ringing in terwijl er geen groundlead is gebruikt, maar de probe heeft natuurlijk zelf ook parasitaire eigenschappen.
Dit is de originele 1S1 Tek probe. Een actieve probe met buis. De voorloper van de FET probes. Deze mag niet zonder opzet verzwakkers worden gebruikt. Je ziet dat er zonder weinig klopt van de amplitude maar hij vist toch de originele golfvorm eruit. Tr is trager maar de probe wordt voor 500MHz opgegeven.
Met een 10X verzwakker er op gestoken komt er wat ringing bij, de stijgtijd verbetert wat best een bruikbaar plaatje. Deze probe is enorm, dus hij zit niet in de aardklem, hier is een 1,5 cm lange aardpin gebruikt die parallel aan de punt loopt. Dat voegt wat capaciteit en inductie toe.
Een goedkope Chinese probe. Het is de originele van hun 100MHz scoop. De amplitude is erg laag maar verder valt het erg mee qua rotzooi. Dat is dan het “voordeel” van zoveel demping.
Die demping zorgt er ook voor dat je met groundleads alleen maar een veel tragere stijgtijd krijgt. De ringing wordt ook uitgedempt. Als je in een echt circuit meet dan gebeuren dit soort dingen ook, spikes of runts zie je dus niet en het signaal kan er beter uitzien dan het lijkt. OK, het is maar een 100MHz scoop dus demping is te verwachten. Maar dat het toch beter kan zie je hier onder.
Dit is een 100MHz Tektronix scoop. Een echte uit de betere lijn. De rijstijd is prima, hij haalt een veel hogere spanning dan de Rigol.
Ook met groundlead eraan zie je ellende ontstaan.
Een hele oude 100MHz Tek probe uit de tijd dat ze nog “het” scoop merk waren. Doet het nog beter dan de dubbel compenseerbare nieuwe. Daarbij is deze nog omschakelbaar ook. Petje af.
Een middenklasse probe. Wordt voor 150 MHz opgegeven. Kosten volgens mij ergens rond de 60 euro. Mechanisch niet super, qua prestaties minder dan een 100 MHz Tek maar beter dan een Rigol. Best een goede prijs/prestatie verhouding.
Bij een 2445 die ik koch via een handelaar zaten twee nieuwe probes. Ze waren van Tek zei hij, maar het stikkertje met type is er ondertussen af. Ze lijken uiterlijk als twee druppels water op de Rigol probes. Echt tot in detail. Maar je ziet dat uiterlijk niet alles zegt. Ze presteren veel beter. Waarschijnlijk zijn ze 150 MHz of meer.
Een miniprobe van HP. 100 MHz, prestaties vergelijkbaar met de goede Tek.
Dit is een hele oude, lompe R&S. Heel mooi en degelijk gemaakt. Vreemd is dat R&S niet bekend is van scopen. Toch hebben ze probes gemaakt. Er zit een vaste erg lange aarddraad aan. Compleet onbruikbaar voor RF.
Philips maakte hele goede en degelijke probes. Deze wordt voor 75 MHz opgegeven. Oordeel zelf. De Tr is super, amplitude erg goed en verder weinig mis mee.
Een onbekende probe, beetje Philips achtig gebouwd en best degelijk. as goedkoop en leek nieuw maar dat zegt niks. Prestaties zijn nog best goed. Het is tenslotte een HV probe.
Deze zaten bij mijn Hameg. 350 MHz probes. Prestaties als de goede Tek en HP probe. Aan de hoge Tr zie je dat de bandbreedte hoog is
Maar met de groundleads eraan wordt het een echt drama. Deze zijn veel te lang. (maar daar kan je wat aan doen)



































